Philips CM0200 fuente no funciona

jmpano
Principiante
Principiante
Mensajes: 1
Registrado: Mié Ene 19, 2022 12:40 am

Philips CM0200 fuente no funciona

Mensaje por jmpano » Mié Ene 19, 2022 1:00 am

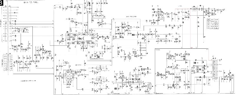
Hola colegas, Feliz 2022. Tengo un monitor Compaq con tarjeta Philips que no enciende asi q al revisar descubri q estaba en corto el transistor HOT y tambien estaba dañado el MOSFET q entrega el voltaje B+ (adjunto diagrama), asi q los quite y solo puse un MOSFET nuevo, y al medir halle que la fuente si entrega bien todos los voltajes, pero el MOSFET (IRF620) no entrega el voltaje B+. Alguna pista de cual sera el problema? Gracias Diagrama

Adjuntos
BMainboard.jpg
BMainboard.jpg
BMainboard.jpg
BMainboard.jpg

Responder