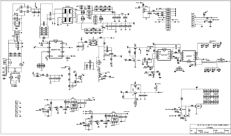
Hola,
La TV Oki arriba indicada tiene sonido pero no tiene imagen. La placa de alimentación que tiene es la 17PW80. Anteriormente no encendía ni el led, revise y tenia uno de los transistores SB5B0 dañado y le cambie los 5 transistores que lleva por unos SB5100 que son equivalentes. Después de cambiar los transistores la tv enciende, se escucha sonido pero no se ve imagen y no se si puede ser problema de la placa o del inverter.
Las tensiones que tengo son las siguientes:
En el conector PL706
1: 12,5v
2: 12,5v
3: 2,965v
4: 0v
5: 0v
6: 0v
en el conector hacia la main:
19=0v
17=0v
15=3,24v
13=2v
11=4,96v
9=5,16v
7=12,5v
5=0v
3=3,38v
1=0v
y después de los transistores SB5100 12,5v.
Creo que tengo problema en la salida PL706 ya que no tiene señal de PWM_DIM.
Estoy en lo cierto??
OKI L24VB FHTUV se escucha pero no tiene imagen
OKI L24VB FHTUV se escucha pero no tiene imagen
Hola,
La TV Oki arriba indicada tiene sonido pero no tiene imagen. La placa de alimentación que tiene es la 17PW80. Anteriormente no encendía ni el led, revise y tenia uno de los transistores SB5B0 dañado y le cambie los 5 transistores que lleva por unos SB5100 que son equivalentes. Después de cambiar los transistores la tv enciende, se escucha sonido pero no se ve imagen y no se si puede ser problema de la placa o del inverter.
Las tensiones que tengo son las siguientes:
En el conector PL706
1: 12,5v
2: 12,5v
3: 2,965v
4: 0v
5: 0v
6: 0v
en el conector hacia la main:
19=0v
17=0v
15=3,24v
13=2v
11=4,96v
9=5,16v
7=12,5v
5=0v
3=3,38v
1=0v
y después de los transistores SB5100 12,5v.
Creo que tengo problema en la salida PL706 ya que no tiene señal de PWM_DIM.
Estoy en lo cierto??
La TV Oki arriba indicada tiene sonido pero no tiene imagen. La placa de alimentación que tiene es la 17PW80. Anteriormente no encendía ni el led, revise y tenia uno de los transistores SB5B0 dañado y le cambie los 5 transistores que lleva por unos SB5100 que son equivalentes. Después de cambiar los transistores la tv enciende, se escucha sonido pero no se ve imagen y no se si puede ser problema de la placa o del inverter.
Las tensiones que tengo son las siguientes:
En el conector PL706
1: 12,5v
2: 12,5v
3: 2,965v
4: 0v
5: 0v
6: 0v
en el conector hacia la main:
19=0v
17=0v
15=3,24v
13=2v
11=4,96v
9=5,16v
7=12,5v
5=0v
3=3,38v
1=0v
y después de los transistores SB5100 12,5v.
Creo que tengo problema en la salida PL706 ya que no tiene señal de PWM_DIM.
Estoy en lo cierto??
