Crown CT-2901R, duda sobre flyback
-
aldo tonato
- Técnico Calificado

- Mensajes: 470
- Registrado: Vie Oct 30, 2009 12:33 pm
- Ubicación: Carlos Paz
Crown CT-2901R, duda sobre flyback
Hola, compañeros!
Tengo este tv con fuga en el flyback FFA97015L y me proponen como sustituto al FFA94024L, el cual parece no ser compatible. Pin a pin miden "igual", pero no estoy seguro de colocarlo.
Apelo a vuestra experiencia para sacarme de este aprieto.
Los diagramas serían de gran utilidad.
Saludos cordiales.
Tengo este tv con fuga en el flyback FFA97015L y me proponen como sustituto al FFA94024L, el cual parece no ser compatible. Pin a pin miden "igual", pero no estoy seguro de colocarlo.
Apelo a vuestra experiencia para sacarme de este aprieto.
Los diagramas serían de gran utilidad.
Saludos cordiales.
-
aldo tonato
- Técnico Calificado

- Mensajes: 470
- Registrado: Vie Oct 30, 2009 12:33 pm
- Ubicación: Carlos Paz
Re: Crown CT-2901R, duda sobre flyback
Solo para agregar: el chasis es GR499.
-
Fernando Giachero
- Fundador

- Mensajes: 5364
- Registrado: Vie Oct 30, 2009 10:59 am
- Ubicación: Córdoba (Argentina)
- Contactar:
Re: Crown CT-2901R, duda sobre flyback
Hola Aldo.
Entiendo que el reemplazo es el BSC24-3972M
y el HR equivalente es el: HR-81705
Entiendo que el reemplazo es el BSC24-3972M
y el HR equivalente es el: HR-81705
-
Fernando Giachero
- Fundador

- Mensajes: 5364
- Registrado: Vie Oct 30, 2009 10:59 am
- Ubicación: Córdoba (Argentina)
- Contactar:
Re: Crown CT-2901R, duda sobre flyback
va imagen:
-
Diego Merlo
- Moderador

- Mensajes: 991
- Registrado: Dom Jul 03, 2011 11:07 am
- Ubicación: Libertad-Merlo -Bs-As-Argentina
- Contactar:
Re: Crown CT-2901R, duda sobre flyback
Por lo que lei en internet:el Chasis JYM470 lleva el FFA61017L y el reemplazo es BSC24-3972M,de ser asi ,no seria el equivalente,pero para sacarme la duda llame a mi proveedor y me dice que lo tienen en falta hace bastante tiempo,y que no tiene reemplazo segun su listado,pero a seguir buscando!!!!
-
Fernando Giachero
- Fundador

- Mensajes: 5364
- Registrado: Vie Oct 30, 2009 10:59 am
- Ubicación: Córdoba (Argentina)
- Contactar:
Re: Crown CT-2901R, duda sobre flyback
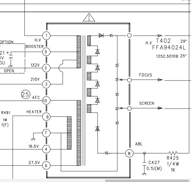
Y acá esta el otro:
-
Fernando Giachero
- Fundador

- Mensajes: 5364
- Registrado: Vie Oct 30, 2009 10:59 am
- Ubicación: Córdoba (Argentina)
- Contactar:
Re: Crown CT-2901R, duda sobre flyback
A mi modo de ver no son reemplazables
-
aldo tonato
- Técnico Calificado

- Mensajes: 470
- Registrado: Vie Oct 30, 2009 12:33 pm
- Ubicación: Carlos Paz
Re: Crown CT-2901R, duda sobre flyback
Gracias, compa.
Estuve rascando info y me doy conque el diagrama que subiste corresponde al chasis H911F, por otro lado, buscando que chasis usa el FFA94024L, encontré el CM865 de Daewoo y viendo las conexiones del flyback, me doy conque son iguales al chasis GR499 que estoy reparando. El FFA97015L original de este Crown es de fabricación DAE WOO (así está impreso en la etiqueta). Asique por lo visto se reemplazan entre sí. Voy a instalarlo con las debidas precauciones y vemos.
Estuve rascando info y me doy conque el diagrama que subiste corresponde al chasis H911F, por otro lado, buscando que chasis usa el FFA94024L, encontré el CM865 de Daewoo y viendo las conexiones del flyback, me doy conque son iguales al chasis GR499 que estoy reparando. El FFA97015L original de este Crown es de fabricación DAE WOO (así está impreso en la etiqueta). Asique por lo visto se reemplazan entre sí. Voy a instalarlo con las debidas precauciones y vemos.
- Adjuntos
-
- Crown_CT-2901R_Flayback_Conexiones.JPG (247.77 KiB) Visto 7451 veces
-
aldo tonato
- Técnico Calificado

- Mensajes: 470
- Registrado: Vie Oct 30, 2009 12:33 pm
- Ubicación: Carlos Paz
Re: Crown CT-2901R, duda sobre flyback
Bueno, arranca, pero con una alta impresionante, podría bajar la fuente, pero ésta trabaja con normalidad. Definitivamente, aunque ambos son (o parecen) compatibles pin a pin, no son compatibles internamente o me estoy equivocando en algo.
-
aldo tonato
- Técnico Calificado

- Mensajes: 470
- Registrado: Vie Oct 30, 2009 12:33 pm
- Ubicación: Carlos Paz
Re: Crown CT-2901R, duda sobre flyback
Bueno, arranca, pero con una alta impresionante, podría bajar la fuente, pero ésta trabaja con normalidad.
Definitivamente, aunque ambos son (o parecen) compatibles pin a pin, no son compatibles internamente o me estoy equivocando en algo.
Volví a colocar el viejo original (pinchado) y anda al pelo, pero no quiero correr riesgos con parcharlo y que vuelva.
Definitivamente, aunque ambos son (o parecen) compatibles pin a pin, no son compatibles internamente o me estoy equivocando en algo.
Volví a colocar el viejo original (pinchado) y anda al pelo, pero no quiero correr riesgos con parcharlo y que vuelva.
-
Diego Merlo
- Moderador

- Mensajes: 991
- Registrado: Dom Jul 03, 2011 11:07 am
- Ubicación: Libertad-Merlo -Bs-As-Argentina
- Contactar:
Re: Crown CT-2901R, duda sobre flyback
Buscando en la web encontre esta data, ffa97016 con el ffa97015l son compatibles.